2021-06-15 2021, Volume 15 Issue 2

  • Select all
  • RESEARCH ARTICLE
    Zilong WANG, Hua ZHANG, Binlin DOU, Weidong WU, Guanhua ZHANG

    The development of automatic tracking solar concentrator photovoltaic systems is currently attracting growing interest. High concentration photovoltaic systems (HCPVs) combining triple-junction InGaP/lnGaAs/Ge solar cells with a concentrator provide high conversion efficiencies. The mathematical model for triple-junction solar cells, having a higher efficiency and superior temperature characteristics, was established based on the one-diode equivalent circuit cell model. A paraboloidal concentrator with a secondary optic system and a concentration ratio in the range of 100X–150X along with a sun tracking system was developed in this study. The GaInP/GalnAs/Ge triple-junction solar cell, produced by AZUR SPACE Solar Power, was also used in this study. The solar cells produced by Shanghai Solar Youth Energy (SY) and Shenzhen Yinshengsheng Technology Co. Ltd. (YXS) were used as comparison samples in a further comparative study at different concentration ratios (200X–1000X). A detailed analysis on the factors that influence the electrical output characteristics of the InGaP/lnGaAs/Ge solar cell was conducted with a dish-style concentrating photovoltaic system. The results show that the short-circuit current (Isc) and the open-circuit voltage (Voc) of multi-junction solar cells increases with the increasing concentration ratio, while the cell efficiency (ηc) of the solar cells increases first and then decreases with increasing concentration ratio. With increasing solar cell temperature, Isc increases, while Voc and ηc decrease. A comparison of the experimental and simulation results indicate that the maximum root mean square error is less than 10%, which provides a certain theoretical basis for the study of the characteristics of triple-junction solar cell that can be applied in the analysis and discussion regarding the influence of the relevant parameters on the performance of high concentration photovoltaic systems.

  • RESEARCH ARTICLE
    Huijuan JIANG, Yong GENG, Xu TIAN, Xi ZHANG, Wei CHEN, Ziyan GAO

    With the relocation of heavy industries moving from downstream region to upstream and midstream regions in the Yangtze River Economic Belt (YREB), it is critical to encourage coordinated low carbon development in different regions within the YREB. This paper uncovers the evolution of CO2 emissions in different regions within the YREB for the period of 2000–2017. It decomposes regional CO2 emission changes using the temporal and cross-regional three-layer logarithmic mean Divisia index (LMDI) method. Besides, it decomposes industrial CO2 emission changes using the temporal two-layer LMDI method. The research results show that economic growth is the major driver for regional CO2 emission disparities. The mitigation drivers, such as energy intensity and energy structure, lead to a more decreased CO2 emission in the downstream region than in the upstream and midstream regions. In addition, it proposes several policy recommendations based upon the local realities, including improving energy efficiency, optimizing energy structure, promoting advanced technologies and equipment transfers, and coordinating the development in the upstream, midstream and downstream regions within the YREB.

  • RESEARCH ARTICLE
    Yueling ZHANG, Junjie LI, Huan LIU, Guangling ZHAO, Yajun TIAN, Kechang XIE

    This paper aims to discuss an environmental, social, and economic analysis of energy utilization of crop residues from life cycle perspectives in China. The methodologies employed to achieve this objective are environmental life cycle assessment (E-LCA), life cycle cost (LCC), and social life cycle assessment (S-LCA). Five scenarios are developed based on the conversion technologies and final bioenergy products. The system boundaries include crop residue collection, transportation, pre-treatment, and conversion process. The replaced amounts of energy are also taken into account in the E-LCA analysis. The functional unit is defined as 1 MJ of energy produced. Eight impact categories are considered besides climate change in E-LCA. The investment capital cost and salary cost are collected and compared in the life cycle of the scenarios. Three stakeholders and several subcategories are considered in the S-LCA analysis defined by UNEP/SETAS guidelines. The results show that the energy utilization of crop residue has carbon emission factors of 0.09–0.18 kg (CO2 eq per 1 MJ), and presents a net carbon emissions reduction of 0.03–0.15 kg (CO2 eq per 1 MJ) compared with the convectional electricity or petrol, but the other impacts should be paid attention to in the biomass energy scenarios. The energy utilization of crop residues can bring economic benefit to local communities and the society, but the working conditions of local workers need to be improved in future biomass energy development.

  • RESEARCH ARTICLE
    Yiqun HUANG, Yiran LI, Man ZHANG, Boyu DENG, Hao KONG, Junfeng WANG, Junfu LYU, Hairui YANG, Lingmei WANG

    Diffusion of oxygen in the ash layer usually dominated the combustion of oil shale semicoke particles due to the high ash content. Thus, effective diffusivity of oxygen in the ash layer was a crucial parameter worthy of careful investigation. In this paper, the effective diffusivity of oxygen in the ash layer of Huadian oil shale semicoke was measured directly using an improved Wicke-Kallenbach diffusion apparatus. The experimental results showed that higher temperature would lead to a higher effective diffusivity and a thicker ash layer had the negative effect. Especially, the effective diffusivity along the direction perpendicular to bedding planes was much lower than that along the direction parallel to bedding planes. In addition, an effective diffusivity model was developed, which could be used to describe the mass transfer of oxygen in the ash layer of oil shale semicoke.

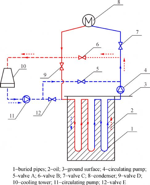
  • RESEARCH ARTICLE
    Zulkarnain ABBAS, Yong LI, Ruzhu WANG

    This paper aims to explore an efficient, cost-effective, and water-saving seasonal cold energy storage technique based on borehole heat exchangers to cool the condenser water in a 10 MW solar thermal power plant. The proposed seasonal cooling mechanism is designed for the areas under typical weather conditions to utilize the low ambient temperature during the winter season and to store cold energy. The main objective of this paper is to utilize the storage unit in the peak summer months to cool the condenser water and to replace the dry cooling system. Using the simulation platform transient system simulation program (TRNSYS), the borehole thermal energy storage (BTES) system model has been developed and the dynamic capacity of the system in the charging and discharging mode of cold energy for one-year operation is studied. The typical meteorological year (TMY) data of Dunhuang, Gansu province, in north-western China, is utilized to determine the lowest ambient temperature and operation time of the system to store cold energy. The proposed seasonal cooling system is capable of enhancing the efficiency of a solar thermal power plant up to 1.54% and 2.74% in comparison with the water-cooled condenser system and air-cooled condenser system respectively. The techno-economic assessment of the proposed technique also supports its integration with the condenser unit in the solar thermal power plant. This technique has also a great potential to save the water in desert areas.

  • RESEARCH ARTICLE
    Xuming LIU, Xiafan XU, Biao YANG, Xiaotong XI, Liubiao CHEN, Junjie WANG, Yuan ZHOU

    The high-frequency pulse tube cryocooler (HPTC) has been attracting increasing and widespread attention in the field of cryogenic technology because of its compact structure, low vibration, and reliable operation. The gas-coupled HPTC, driven by a single compressor, is currently the simplest and most compact structure. For HPTCs operating below 20 K, in order to obtain the mW cooling capacity, hundreds or even thousands of watts of electrical power are consumed, where radiation heat leakage accounts for a large proportion of their cooling capacity. In this paper, based on SAGE10, a HPTC heat radiation calculation model was first established to study the effects of radiation heat leakage on apparent performance parameters (such as temperature and cooling capacity), and internal parameters (such as enthalpy flow and gas distribution) of the gas-coupled HPTC. An active thermal insulation method of cascade utilization of the cold energy of the system was proposed for the gas-coupled HPTC. Numerical simulations indicate that the reduction of external radiation heat leakage cannot only directly increase the net cooling power, but also decrease the internal gross losses and increase the mass and acoustic power in the lower-temperature section, which further enhances the refrigeration performance. The numerical calculation results were verified by experiments, and the test results showed that the no-load temperature of the developed cryocooler prototype decreased from 15.1 K to 6.4 K, and the relative Carnot efficiency at 15.5 K increased from 0.029% to 0.996% when substituting the proposed active method for the traditional passive method with multi-layer thermal insulation materials.

  • RESEARCH ARTICLE
    Zekun LIU, Shuang YUAN, Yi YUAN, Guojian LI, Qiang WANG

    Solar energy has been increasing its share in the global energy structure. However, the thermal radiation brought by sunlight will attenuate the efficiency of solar cells. To reduce the temperature of the photovoltaic (PV) cell and improve the utilization efficiency of solar energy, a hybrid system composed of the PV cell, a thermoelectric generator (TEG), and a water-cooled plate (WCP) was manufactured. The WCP cannot only cool the PV cell, but also effectively generate additional electric energy with the TEG using the waste heat of the PV cell. The changes in the efficiency and power density of the hybrid system were obtained by real time monitoring. The thermal and electrical tests were performed at different irradiations and the same experiment temperature of 22°C. At a light intensity of 1000 W/m2, the steady-state temperature of the PV cell decreases from 86.8°C to 54.1°C, and the overall efficiency increases from 15.6% to 21.1%. At a light intensity of 800 W/m2, the steady-state temperature of the PV cell decreases from 70°C to 45.8°C, and the overall efficiency increases from 9.28% to 12.59%. At a light intensity of 400 W/m2, the steady-state temperature of the PV cell decreases from 38.5°C to 31.5°C, and the overall efficiency is approximately 3.8%, basically remain unchanged.

  • RESEARCH ARTICLE
    Xin LYU, Qingping LI, Yang GE, Junlong ZHU, Shouwei ZHOU, Qiang FU

    The basic physical properties of marine natural gas hydrate deposits are important to the understanding of seabed growth conditions, occurrence regularity, and occurrence environment of natural gas hydrates. A comprehensive analysis of the core samples of drilling pressure-holding hydrate deposits at a depth of 1310 m in the Shenhu area of the South China Sea was conducted. The experimental results indicate that the particle size in the hydrate sediment samples are mainly distributed in the range from 7.81 µm to 21.72 µm, and the average particle size decreases as the depth of the burial increases. The X-ray CT analytical images and surface characteristics SEM scan images suggest that the sediment is mostly silty clay. There are a large number of bioplastics in the sediment, and the crack inside the core may be areas of hydrate formation.

  • RESEARCH ARTICLE
    Shuai GUO, Xiao WEI, Deyong CHE, Hongpeng LIU, Baizhong SUN

    Gasification is a promising approach for converting solid fuel sources, including renewable ones like biomass, for use. The main problem in biomass gasification is the formation of condensable tars, including polycyclic aromatic hydrocarbons (PAHs). This paper investigated the conversion of tar components during corn straw gasification. It analyzed collected tar components using a gas chromatograph-mass spectrograph (GC-MS). Experimental results indicate that, with increasing temperature from 700°C to 900°C, the concentrations of benzene, indene, phenanthrene, naphthalene, acenaphthylene, fluorene, and pyrene increased whereas those of toluene, phenol, 1-methylnaphthalene, and 2-methylnaphthalene decreased. As the equivalence ratio (ER) increased from 0.21 to 0.34, the concentrations of indene and phenanthrene increased from 0.148% and 0.087% to 0.232% and 0.223%, respectively. Further, the phenol content increased as ER increased from 0.21 to 0.26 and then decreased as the ER increased further to 0.34. Other parameters like the steam/biomass (S/B) ratio and catalyst also played a critical role in tar reduction. This paper demonstrates the conversion of some tar components and elucidates their chemical properties during gasification.

  • RESEARCH ARTICLE
    C. RENNO, A. PERONE

    The concentrating photovoltaic (CPV) systems are a promising technology to obtain clean energy. However, these systems are not equally convenient worldwide due to different climatic conditions. The main aim of this paper is to analyze energy and economic performances of a point-focus CPV system for a residential user when its installation site varies. Three locations, Riyadh, Copenhagen, and Palermo, characterized by very different weather conditions are chosen. A model that links the electrical power of a triple-junction (TJ) cell with its temperature and concentrated radiation incident on it is experimentally developed to evaluate the energy performance of the CPV system. A comparison of the three localities for typical winter and summer sunny days indicates that the higher values of the TJ cell temperature are reached in summer, over 70°C at Riyadh, and its electrical power is reduced compared to a winter day. In winter, a TJ cell in Riyadh supplies an electric power of about 20% higher than that in other two cities, while in summer, the maximum power is observed at Copenhagen. On the contrary, the electrical producibility also depends on the sunlight daily hours number during the year. Hence, considering the real distribution of direct normal irradiance (DNI) and the environmental temperature for each locality, a CPV system composed of modules of 90 cells adopted for a residential user is sized. The electric producibility of the CPV system, by varying its module number, is evaluated for different localities together with the optimal number of the modules which is able to maximize the investment profitability.

  • RESEARCH ARTICLE
    Yaozong DUAN, Wang LIU, Zhen HUANG, Dong HAN

    Jet fuel is widely used in air transportation, and sometimes for special vehicles in ground transportation. In the latter case, fuel spray auto-ignition behavior is an important index for engine operation reliability. Surrogate fuel is usually used for fundamental combustion study due to the complex composition of practical fuels. As for jet fuels, two-component or three-component surrogate is usually selected to emulate practical fuels. The spray auto-ignition characteristics of RP-3 jet fuel and its three surrogates, the 70% mol n-decane/30% mol 1,2,4-trimethylbenzene blend (Surrogate 1), the 51% mol n-decane/49% mol 1, 2, 4-trimethylbenzene blend (Surrogate 2), and the 49.8% mol n-dodecane/21.6% mol iso-cetane/28.6% mol toluene blend (Surrogate 3) were studied in a heated constant volume combustion chamber. Surrogate 1 and Surrogate 2 possess the same components, but their blending percentages are different, as the two surrogates were designed to capture the H/C ratio (Surrogate 1) and DCN (Surrogate 2) of RP-3 jet fuel, respectively. Surrogate 3 could emulate more physiochemical properties of RP-3 jet fuel, including molecular weight, H/C ratio and DCN. Experimental results indicate that Surrogate 1 overestimates the auto-ignition propensity of RP-3 jet fuel, whereas Surrogates 2 and 3 show quite similar auto-ignition propensity with RP-3 jet fuel. Therefore, to capture the spray auto-ignition behaviors, DCN is the most important parameter to match when designing the surrogate formulation. However, as the ambient temperature changes, the surrogates matching DCN may still show some differences from the RP-3 jet fuel, e.g., the first-stage heat release influenced by low-temperature chemistry.

  • RESEARCH ARTICLE
    Jingrui LI, Haifeng LIU, Xinlei LIU, Ying YE, Hu WANG, Xinyan WANG, Hua ZHAO, Mingfa YAO

    High-pressure direct-injection (HPDI) of natu- ral gas is one of the most promising solutions for future ship engines, in which the combustion process is mainly controlled by the chemical kinetics. However, the employment of detailed chemical models for the multi-dimensional combustion simulation is significantly expensive due to the large scale of the marine engine. In the present paper, a reduced n-heptane/methane model consisting of 35-step reactions was constructed using multiple reduction approaches. Then this model was further reduced to include only 27 reactions by utilizing the HyChem (Hybrid Chemistry) method. An overall good agreement with the experimentally measured ignition delay data of both n-heptane and methane for these two reduced models was achieved and reasonable predictions for the measured laminar flame speeds were obtained for the 35-step model. But the 27-step model cannot predict the laminar flame speed very well. In addition, these two reduced models were both able to reproduce the experimentally measured in-cylinder pressure and heat release rate profiles for a HPDI natural gas marine engine, the highest error of predicted combustion phase being 6.5%. However, the engine-out CO emission was over-predicted and the highest error of predicted NOx emission was less than 12.9%. The predicted distributions of temperature and equivalence ratio by the 35-step and 27-step models are similar to those of the 334-step model. However, the predicted distributions of OH and CH2O are significantly different from those of the 334-step model. In short, the reduced chemical kinetic models developed provide a high-efficient and dependable method to simulate the characteristics of combustion and emissions in HPDI natural gas marine engines.

  • RESEARCH ARTICLE
    Yanyan GAO, Ming HOU, Manman QI, Liang HE, Haiping CHEN, Wenzhe LUO, Zhigang SHAO

    In recent years, Fe-N-C catalyst is particularly attractive due to its high oxygen reduction reaction (ORR) activity and low cost for proton exchange membrane fuel cells (PEMFCs). However, the durability problems still pose challenge to the application of Fe-N-C catalyst. Although considerable work has been done to investigate the degradation mechanisms of Fe-N-C catalyst, most of them are simply focused on the active-site decay, the carbon oxidation, and the demetalation problems. In fact, the 2e pathway in the ORR process of Fe-N-C catalyst would result in the formation of H2O2, which is proved to be a key degradation source. In this paper, a new insight into the effect of potential on degradation of Fe-N-C catalyst was provided by quantifying the H2O2 intermediate. In this case, stability tests were conducted by the potential-static method in O2 saturated 0.1 mol/L HClO4. During the tests, H2O2 was quantified by rotating ring disk electrode (RRDE). The results show that compared with the loading voltage of 0.4 V, 0.8 V, and 1.0 V, the catalysts being kept at 0.6 V exhibit a highest H2O2 yield. It is found that it is the combined effect of electrochemical oxidation and chemical oxidation (by aggressive radicals like H2O2/radicals) that triggered the highest H2O2 release rate, with the latter as the major cause.

  • RESEARCH ARTICLE
    Liutao SUN, Yonghong YAN, Rui SUN, Zhengkang PENG, Chunli XING, Jiangquan WU

    To improve the ignition behavior and to reduce the high NOx emissions of blended pulverized fuels (PF) of semicoke (SC), large-scale experiments were conducted in a 300 kW fired furnace at various nozzle settings, i.e., ratios (denoted by hf/b) of the height of the rectangular burner nozzle to its width of 1.65, 2.32, and 3.22. The combustion tests indicate that the flame stability, ignition performance, and fuel burnout ratio were significantly improved at a nozzle setting of hf/b = 2.32. The smaller hf/b delayed ignition and caused the flame to concentrate excessively on the axis of the furnace, while the larger hf/b easily caused the deflection of the pulverized coal flame, and a high-temperature flame zone emerged close to the furnace wall. NOx emissions at the outlet of the primary zone decreased from 447 to 354 mg/m3 (O2 = 6%), and the ignition distance decreased from 420 to 246 mm when the hf/b varied from 1.65 to 3.22. Furthermore, the ratio (denoted by SR/SC) of the strong reduction zone area to the combustion reaction zone area was defined experimentally by the CO concentration to evaluate the reduction zone. The SR/SC rose monotonously, but its restraining effects on NOx formation decreased as hf/b increased. The results suggested that in a test furnace, regulating the nozzle hf/b conditions sharply reduces NOx emissions and improves the combustion efficiency of SC blends possessing an appropriate jet rigidity.

  • RESEARCH ARTICLE
    Yishu XU, Xiaowei LIU, Jiuxin QI, Tianpeng ZHANG, Minghou XU, Fangfang FEI, Dingqing LI

    Recognizing the nature and formation progress of the ash deposits is essential to resolve the deposition problem hindering the wide application of large-scale biomass-fired boilers. Therefore, the ash deposits in the superheaters of a 220 t/h biomass-fired CFB boiler were studied, including the platen (PS), the high-temperature (HTS), the upper and the lower low-temperature superheaters (LTS). The results showed that the deposits in the PSs and HTSs were thin (several millimeters) and compact, consisting of a yellow outer layer and snow-white inner layer near the tube surface. The deposits in the upper LTS appeared to be toughly sintered ceramic, while those in the lower LTS were composed of dispersive coarse ash particles with an unsintered surface. Detailed characterization of the cross-section and the initial layers in the deposits revealed that the dominating compositions in both the PSs and the HTSs were Cl and K (approximately 70%) in the form of KCl. Interestingly, the cross-section of the deposition in the upper LTS exhibited a unique lamellar structure with a major composition of Ca and S. The contents of Ca and Si increased from approximately 10% to approximately 60% in the deposits from the high temperature surfaces to the low temperature ones. It was concluded that the vaporized mineral matter such as KCl played the most important role in the deposition progress in the PS and the HTS. In addition, although the condensation of KCl in the LTSs also happened, the deposition of ash particles played a more important role.

  • RESEARCH ARTICLE
    Ahmed Mohmed DAFALLA, Fangming JIANG

    Water transport is of paramount importance to the cold start of proton exchange membrane fuel cells (PEMFCs). Analysis of water transport in cathode catalyst layer (CCL) during cold start reveals the distinct characteristics from the normal temperature operation. This work studies the effect of CCL mesoscopic pore-morphology on PEMFC cold start. The CCL mesoscale morphology is characterized by two tortuosity factors of the ionomer network and pore structure, respectively. The simulation results demonstrate that the mesoscale morphology of CCL has a significant influence on the performance of PEMFC cold start. It was found that cold-starting of a cell with a CCL of less tortuous mesoscale morphology can succeed, whereas starting up a cell with a CCL of more tortuous mesoscale morphology may fail. The CCL of less tortuous pore structure reduces the water back diffusion resistance from the CCL to proton exchange membrane (PEM), thus enhancing the water storage in PEM, while reducing the tortuosity in ionomer network of CCL is found to enhance the water transport in and the water removal from CCL. For the sake of better cold start performance, novel preparation methods, which can create catalyst layers of larger size primary pores and less tortuous pore structure and ionomer network, are desirable.

  • RESEARCH ARTICLE
    Xi ZHANG, Yong GENG, Yen Wah TONG, Harn Wei KUA, Huijuan DONG, Hengyu PAN

    Low-carbon energy technology (LC) innovation contributes to both environmental protection and economic development. Using the panel data of 30 provinces/autonomous regions/municipalities in China from 1998 to 2017, this paper constructs a two-layer logarithmic mean Divisia index (LMDI) model to uncover the factors influencing the variation of the innovation of LC in China’s industrial sectors, including the alternative energy production technology (AEPT) and the energy conversation technology (ECT). The results show that China’s industrial LC patent applications rapidly increased after 2005 and AEPT patent applications outweighed ECT patent applications all the time with a gradually narrowing gap. Low-carbon degree played the dominant role in promoting the increase in China’s industrial LC patent applications, followed by the economic scale, R&D (research and development) efficiency, and R&D share. Economic structure contributed to the increases in LC patent applications in the central and the western regions, while led to the decreases in the eastern region, the north-eastern region, and Chinese mainland . Low-carbon degree and economic scale were two main contributors to the growths of both industrial AEPT patent applications and ECT patent applications in Chinese mainland and the four regions. Several policy recommendations are made to further promote industrial innovation in China.

  • RESEARCH ARTICLE
    Liying SONG, Jun JING, Kerui DU, Zheming YAN

    The development of the climate-change- mitigation technology has received widespread attention from both academic and policy studies. Nevertheless, very few studies have explained how and why economies contribute differently to global development. This paper decomposed the development of the global climate-change-mitigation technology, proxied by patent-based indicators, from 1996 to 2015 into several predefined factors. The results show that the worldwide surge of climate-change-mitigation-technology patents from 1996 to 2011 is driven by increased concentration on green invention, improved research intensity, and enlarged economic scale, while the falling of patent counts from 2011 to 2015 is predominantly due to less concentration on green invention. Among different climate-change-mitigation technologies, the type-specific development is attributed to different dominant factors, and the resulting priority change can reflect the shift of both global research and development (R&D) resource and market demand. Regarding regional contributions, the resulting economy-specific contributions to each driving factor can be used to design the policies to promote the development of the global climate-change-mitigation technology.

  • RESEARCH ARTICLE
    Xueqing LIU, Xiaodong ZHAO, Luyi LU, Jianlan LI

    Solar energy is one of the most promising forms of renewable energy for solving the energy crisis and environmental problems. Dust deposition on photovoltaic mirrors has a serious negative impact on the photoelectric conversion efficiency of solar power stations. In this paper, the influence mechanism of the dynamic and static liquid bridge forces on particle deposition behaviors on solar photovoltaic mirrors is investigated. In addition, the expression and physical meaning of the particle critical separation velocity are proposed. The research results show that the static liquid bridge force can be the primary deposition force causing dust particles to adhere to photovoltaic mirrors. However, the dynamic liquid bridge force can act as a resistance force for the particle motion process and even make dust particles roll along and finally stay on the mirror. The contact force is the primary separation force that causes dust particles to flow away from the mirror. Whether dust particles adhere to the mirror depends on the relative size of the deposition and separating forces. The particle critical separation velocity describes the relative size of the collision-rebound effect and mirror adhesion effect and is expressed in Eq. (16). These research findings can provide theoretical guidance for mirror cleaning methods in the operation process of photovoltaic mirrors.

  • RESEARCH ARTICLE
    Shengchun ZHANG, Zhifeng WANG, Hui BIAN, Pingrui HUANG

    It is difficult to accurately measure the temperature of the falling particle receiver since thermocouples may directly be exposed to the solar flux. This study analyzes the thermal performance of a packed bed receiver using large metal spheres to minimize the measurement error of particle temperature with the sphere temperature reaching more than 700°C in experiments in a solar furnace and a solar simulator. The numerical models of a single sphere and multiple spheres are verified by the experiments. The multiple spheres model includes calculations of the external incidence, view factors, and heat transfer. The effects of parameters on the temperature variations of the spheres, the transient thermal efficiency, and the temperature uniformity are investigated, such as the ambient temperature, particle thermal conductivity, energy flux, sphere diameter, and sphere emissivity. When the convection is not considered, the results show that the sphere emissivity has a significant influence on the transient thermal efficiency and that the temperature uniformity is strongly affected by the energy flux, sphere diameter, and sphere emissivity. As the emissivity increases from 0.5 to 0.9, the transient thermal efficiency and the average temperature variance increase from 53.5% to 75.7% and from 14.3% to 27.1% at 3.9 min, respectively. The average temperature variance decreases from 29.7% to 9.3% at 2.2 min with the sphere diameter increasing from 28.57 mm to 50 mm. As the dimensionless energy flux increases from 0.8 to 1.2, the average temperature variance increases from 13.4% to 26.6% at 3.4 min.

  • RESEARCH ARTICLE
    Jinyuan SHI, Jiamin XU

    The general availability growth models for large scale complicated repairable system such as electric generating units, power station auxiliaries, and transmission and distribution installations are presented. The calculation formulas for the maintenance coefficient, mathematical expressions for general availability growth models, ways for estimating, and fitting on checking the parameters of the model are introduced. Availability growth models for electric generating units, power station auxiliaries, and transmission and distribution installations are given together with verification examples for availability growth models of 320–1000 MW nuclear power units and 1000 MW thermal power units, 200–1000 MW power station auxiliaries, and 220–500 kV transmission and distribution installations. The verification results for operation availability data show that the maintenance coefficients for electric generating units, power station auxiliaries, transmission and distribution installations conform to the power function, and general availability growth models conform to rules of availability growth tendency of power equipment.

  • RESEARCH ARTICLE
    Shenghu LI

    Observation of the low-frequency oscillation (LFO) modes in power systems is important to design the damping scheme. The state equations of the power system with the doubly-fed induction generators (DFIGs) are derived to find the LFO modes related to the synchronous generator (SGs) and the DFIGs. The definition of the observability measure is improved to consider the initial output and the attenuation speed of the modes. The sensitivities of the observability measures to the control parameters are derived. The numerical results from the small and large-disturbance validate the LFO modes caused by the DFIGs, and different observability measures are compared. Adjustment of the control parameters is chosen based on the sensitivity model to improve the observability and damping ratio of the LFO mode, and the stability of the wind power system.

  • RESEARCH ARTICLE
    Yaolin LIN, Wei YANG

    With increasing awareness of sustainability, demands on optimized design of building shapes with a view to maximize its thermal performance have become stronger. Current research focuses more on building envelopes than shapes, and thermal comfort of building occupants has not been considered in maximizing thermal performance in building shape optimization. This paper attempts to develop an innovative ANN (artificial neural network)-exhaustive-listing method to optimize the building shapes and envelope physical properties in achieving maximum thermal performance as measured by both thermal load and comfort hour. After verified, the developed method is applied to four different building shapes in five different climate zones in China. It is found that the building shape needs to be treated separately to achieve sufficient accuracy of prediction of thermal performance and that the ANN is an accurate technique to develop models of discomfort hour with errors of less than 1.5%. It is also found that the optimal solutions favor the smallest window-to-external surface area with triple-layer low-E windows and insulation thickness of greater than 90 mm. The merit of the developed method is that it can rapidly reach the optimal solutions for most types of building shapes with more than two objective functions and large number of design variables.

  • ERRATUM
    Xiao LIU, Zhilin LIU, Weidong JIAO, Xuan LI, Anthony KU