2015-01-09 2014, Volume 8 Issue 4

  • Select all
  • RESEARCH ARTICLE
    Ali MANSOORI, Rahmat AAZAMI, Ramin SAYADI

    In this paper a model for suggesting a smart parking that involves a set of electric cars is presented to auction the management ability and correct parking planning in reserve spinning market, secondary energy market and grid. Parking interest under various scenarios is analyzed and its effective results are presented by a valid model. Besides, particle swarm optimization algorithm is used for calculating maximum benefit.

  • RESEARCH ARTICLE
    Iraj AHMADIAN, Oveis ABEDINIA, Noradin GHADIMI

    This paper presents a novel modified interactive honey bee mating optimization (IHBMO) base fuzzy stochastic long-term approach for determining optimum location and size of distributed energy resources (DERs). The Monte Carlo simulation method is used to model the uncertainties associated with long-term load forecasting. A proper combination of several objectives is considered in the objective function. Reduction of loss and power purchased from the electricity market, loss reduction in peak load level and reduction in voltage deviation are considered simultaneously as the objective functions. First, these objectives are fuzzified and designed to be comparable with each other. Then, they are introduced into an IHBMO algorithm in order to obtain the solution which maximizes the value of integrated objective function. The output power of DERs is scheduled for each load level. An enhanced economic model is also proposed to justify investment on DER. An IEEE 30-bus radial distribution test system is used to illustrate the effectiveness of the proposed method.

  • RESEARCH ARTICLE
    Mohamed Yacine HAMMOUDI, Abdelkarim ALLAG, Mohamed BECHERIF, Mohamed BENBOUZID, Hamza ALLOUI

    In this paper, observer design for an induction motor has been investigated. The peculiarity of this paper is the synthesis of a mono-Luenberger observer for highly coupled system. To transform the nonlinear error dynamics for the induction motor into the linear parametric varying (LPV) system, the differential mean value theorem combined with the sector nonlinearity transformation has been used. Stability conditions based on the Lyapunov function lead to solvability of a set of linear matrix inequalities. The proposed observer guarantees the global exponential convergence to zero of the estimation error. Finally, the simulation results are given to show the performance of the observer design.

  • RESEARCH ARTICLE
    K Sathish KUMAR, S NAVEEN

    One of the very important ways to save electrical energy in the distribution system is network reconfiguration for loss reduction. Distribution networks are built as interconnected mesh networks; however, they are arranged to be radial in operation. The distribution feeder reconfiguration is to find a radial operating structure that optimizes network performance while satisfying operating constraints. The change in network configuration is performed by opening sectionalizing (normally closed) and closing tie (normally opened) switches of the network. These switches are changed in such a way that the radial structure of networks is maintained, all of the loads are energized, power loss is reduced, power quality is enhanced, and system security is increased. Distribution feeder reconfiguration is a complex nonlinear combinatorial problem since the status of the switches is non-differentiable. This paper proposes a new evolutionary algorithm (EA) for solving the distribution feeder reconfiguration (DFR) problem for a 33-bus and a 16-bus sample network, which effectively ensures the loss minimization.

  • RESEARCH ARTICLE
    Su LI, Weiguo ZHOU

    In order to improve the safety management of urban gas transmission and distribution system, failure mode and effects analysis (FMEA) was used to construct the reliability analysis system of the pipeline network. To solve the problem of subjectivity and uncertainty of the multi-expert decision making, the correlation operator was introduced into the calculation of the risk priority number (RPN). Using FMEA along with weight analysis and expert investigation approach, the FMEA evaluation table was given, including five failure modes, risk priority numbers, failure causes and effects, as well as corrective actions. The results show that correlation operator can directly process the linguistic terms and quantify the priority of the risks.

  • RESEARCH ARTICLE
    Yacine LABBI, Djilani Ben ATTOUS, Belkacem MAHDAD

    In recent years, various heuristic optimization methods have been proposed to solve economic dispatch (ED) problem in power systems. This paper presents the well-known power system ED problem solution considering valve-point effect by a new optimization algorithm called artificial bee colony (ABC). The proposed approach has been applied to various test systems with incremental fuel cost function, taking into account the valve-point effects. The results show that the proposed approach is efficient and robust when compared with other optimization algorithms reported in literature.

  • RESEARCH ARTICLE
    Chang CHEN, Danmei XIE, Yangheng XIONG, Hengliang ZHANG

    The operation condition of the cold-end system of a steam turbine has a direct impact on the economy and security of the unit as it is an indispensible auxiliary system of the thermal power unit. Many factors influence the cold-end operation of a steam turbine; therefore, the operation mode needs to be optimized. The optimization analysis of a 1000 MW ultra-supercritical (USC) unit, the turbine cold-end system, was performed utilizing the back propagation (BP) neural network method with genetic algorithm (GA) optimization analysis. The optimized condenser pressure under different conditions was obtained, and it turned out that the optimized parameters were of significance to the performance and economic operation of the system.

  • RESEARCH ARTICLE
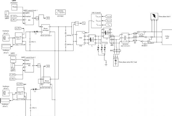
    Akhil GUPTA, Saurabh CHANANA, Tilak THAKUR

    Dynamic voltage restorer (DVR) is used to protect sensitive loads from voltage disturbances of the distribution generation (DG) system. In this paper, a new control approach for the 200 kW solar photovoltaic grid connected system with perturb and observe maximum power point tracking (MPPT) technique is implemented. Power quality improvement with comparison is conducted during fault with proportional integral (PI) and artificial intelligence-based fuzzy logic controlled DVR. MPPT tracks the actual variable DC link voltage while deriving the maximum power from a photovoltaic array and maintains DC link voltage constant by changing modulation index of the converter. Simulation results during fault show that the fuzzy logic based DVR scheme demonstrates simultaneous exchange of active and reactive power with less total harmonic distortion (THD) present in voltage source converter (VSC) current and grid current with fast tracking of optimum operating point at unity power factor. Standards (IEEE-519/1547), stipulates that the current with THD greater than 5% cannot be injected into the grid by any distributed generation source. Simulation results and validations of MPPT technique and operation of fuzzy logic controlled DVR demonstrate the effectiveness of the proposed control schemes.

  • RESEARCH ARTICLE
    Ramesh K GOVINDARAJAN, Pankaj Raghav PARTHASARATHY, Saravana Ilango GANESAN

    This paper focuses on modeling and performance predetermination of a photovoltaic (PV) system with a boost converter fed permanent magnet direct current (PMDC) motor-centrifugal pump load, taking the converter losses into account. Sizing is done based on the maximum power generated by the PV array at the average irradiation. Hence optimum sizing of the PV array for the given irradiation at the geographical location of interest is obtained using the predetermined values. The analysis presented here involves systems employing maximum power point tracking (MPPT) as they are more efficient than directly coupled systems. However, the voltage and power of the motor might rise above rated values for irradiations greater than the average when employing MPPT, hence a control scheme has been proposed to protect the PMDC motor from being damaged during these conditions. This control scheme appropriately chooses the optimum operating point of the system, ensuring long-term sustained operation. The numerical simulation of the system is performed in Matlab/Simulink and is validated with experimental results obtained from a 180 V, 0.5 hp PMDC motor coupled to a centrifugal pump. The operation of the system with the proposed control scheme is verified by varying the irradiation levels and the relevant results are presented.

  • RESEARCH ARTICLE
    Mimoun YOUNES, Khodja FOUAD, Belabbes BAGDAD

    Energy efficiency, which consists of using less energy or improving the level of service to energy consumers, refers to an effective way to provide overall energy. But its increasing pressure on the energy sector to control greenhouse gases and to reduce CO2 emissions forced the power system operators to consider the emission problem as a consequential matter besides the economic problems. The economic power dispatch problem has, therefore, become a multi-objective optimization problem. Fuel cost, pollutant emissions, and system loss should be minimized simultaneously while satisfying certain system constraints. To achieve a good design with different solutions in a multi-objective optimization problem, fuel cost and pollutant emissions are converted into single optimization problem by introducing penalty factor. Now the power dispatch is formulated into a bi-objective optimization problem, two objectives with two algorithms, firefly algorithm for optimization the fuel cost, pollutant emissions and the real genetic algorithm for minimization of the transmission losses. In this paper the new approach (firefly algorithm-real genetic algorithm, FFA-RGA) has been applied to the standard IEEE 30-bus 6-generator. The effectiveness of the proposed approach is demonstrated by comparing its performance with other evolutionary multi-objective optimization algorithms. Simulation results show the validity and feasibility of the proposed method.

  • RESEARCH ARTICLE
    Jihong LING, Haitao MA, HuiZhu YU, Jincheng XING

    To promote energy efficiency and emission reduction, the Chinese government has invested large amounts of resources in heat-metering reform over the past decade. However, heat-metering, which can reduce energy consumption by 15% at least in developed countries, is still not well known in China. This paper quantitatively analyzed the arousal effect of heat-metering policy on occupancy behavior regarding energy saving utilizing statistics method based on measured data of heating energy consumption of approximately 20000 users from 2008 to 2012 in Tianjin. The statistical data showed significant difference on energy consumption between users based on metering and based on area. The energy-saving rate in the heating season increased significantly from 4.11% in 2008–2009 to 10.27% in 2011–2012 as the implement of the heat-metering policy. The difference in energy-saving according to various outdoor temperatures showed that the energy-saving of occupancy behavior was more significant in a warm season than in a cold season. It also showed that the impact of heat-metering policy would be more pronounced in generally insulated buildings (15.55%) than in better insulated units (6.45%). Besides, this paper proposed some feasible suggestions for the formulation and implementation of heat-metering policy in northern heating areas of China.

  • RESEARCH ARTICLE
    Jihong LING, Luhui ZHAO, Jincheng XING, Zhiqiang LU

    To analyze the effect of energy conservation policies on energy consumption of residential buildings, the characteristics of energy consumption and indoor thermal comfort were investigated in detail in Tianjin, China, based on official statistical yearbook and field survey data. A comprehensive survey of 305 households indicates that the mean electricity consumption per household is 3215 kWh/a, in which annual cooling electricity consumption is 344 kWh/a, and the mean natural gas consumption for cooking is 103.2 m3/a. Analysis of 3966 households data shows that space heating average intensity of residential buildings designed before 1996 is 133.7 kWh/(m2·a), that of buildings designed between 1996 and 2004 is 117.2 kWh/(m2·a), and that of buildings designed after 2004 is 105.0 kWh/(m2·a). Apparently, enhancing the performance of envelops is effective in reducing space heating intensity. Furthermore, the results of questionnaires show that 18% of the residents feel slightly warm and hot respectively, while 3% feel slightly cold in winter. Therefore, the electricity consumption in summer will rise for meeting indoor thermal comfort.