2015-11-04 2015, Volume 9 Issue 4

  • Select all
  • RESEARCH ARTICLE
    Nikhil DEV, Rajesh ATTRI

    Combined cycle power plants (CCPPs) are in operation with diverse thermodynamic cycle configurations. Assortment of thermodynamic cycle for scrupulous locality is dependent on the type of fuel available and different utilities obtained from the plant. In the present paper, seven of the practically applicable configurations of CCPP are taken into consideration. Exergetic and energetic analysis of each component of the seven configurations is conducted with the help of computer programming tool, i.e., engineering equation solver (EES) at different pressure ratios. For Case 7, the effects of pressure ratio, turbine inlet temperature and ambient relative humidity on the first and second law is studied. The thermodynamics analysis indicates that the exergy destruction in various components of the combined cycle is significantly affected by the overall pressure ratio, turbine inlet temperature and pressure loss in air filter and less affected by the ambient relative humidity.

  • RESEARCH ARTICLE
    Hosein HAYATI, Amir AHADI, Seyed Mohsen MIRYOUSEFI AVAL

    Smart grid is a power grid consists of extensive monitoring systems which deal with the monitoring of attributes such as current, voltage, power, and energy at distribution transformers, substations transformers, distribution switching devices and smart meters. Smart grid with advanced communication technologies can be used for several purposes such as efficiency and reliability improvement. IEC 61850 is the core standard in the smart grid domain for distribution and substation automation. This paper introduces a vision of modern substation and distribution systems using the IEC 61850. Network operators mainly assume that the modern substation and distribution systems based on the IEC 61850 are reliable for a long-time of operation. However, similar to any other systems, the implemented IEC 61850 might fail because of the operational failures or aging failures. This paper proposes a novel method for reliability evaluation of modern substation and distribution systems. A typical IEC 61850 based distribution and substation system is developed and analyzed using the proposed method. The fault tree analysis (FTA) is used to quantify the reliability of the system. The technique is implemented and demonstrated on the Roy Billinton test system (RBTS). The analysis is further extended on a 400/63 kV substation with a breaker- and-a-half configuration. In addition, the technique proves to be robust under different operations. The results verify the feasibility and applicability of the proposed method.

  • RESEARCH ARTICLE
    Shagufta KHAN, Suman BHOWMICK

    This paper demonstrates the convergence of the integrated AC-DC power-flow algorithm as affected by the selection of different base values for the DC quantities and adoption of different control strategies for the DC link. For power-flow modeling of integrated AC-DC systems, the base values of the various DC quantities can be defined in several ways, giving rise to different sets of per-unit system equations. It is observed that different per-unit system models affect the convergence of the power-flow algorithm differently. In a similar manner, the control strategy adopted for the DC link also affects the power-flow convergence. The sequential method is used to solve the DC variables in the Newton Raphson (NR) power flow model, where AC and DC systems are solved separately and are coupled by injecting an equivalent amount of real and reactive power at the terminal AC buses. Now, for a majority of the possible control strategies, the equivalent real and reactive power injections at the concerned buses can be computed a-priori and are independent of the NR iterative loop. However, for a few of the control strategies, the equivalent reactive power injections cannot be computed a-priori and need to be computed in every NR iteration. This affects the performance of the iterative process. Two different per-unit system models and six typical control strategies are taken into consideration. This is validated by numerous case studies conducted on the IEEE 118-bus and 300-bus test systems.

  • RESEARCH ARTICLE
    Abrar ALLAG, Abdelhamid BENAKCHA, Meriem ALLAG, Ismail ZEIN, Mohamed Yacine AYAD

    The problem of state feedback controllers for a class of Takagi-Sugeno (T-S) Lipschitz nonlinear systems is investigated. A simple systematic and useful synthesis method is proposed based on the use of the differential mean value theorem (DMVT) and convex theory. The proposed design approach is based on the mean value theorem (MVT) to express the nonlinear error dynamics as a convex combination of known matrices with time varying coefficients as linear parameter varying (LPV) systems. Using the Lyapunov theory, stability conditions are obtained and expressed in terms of linear matrix inequalities (LMIs). The controller gains are then obtained by solving linear matrix inequalities. The effectiveness of the proposed approach for closed loop-field oriented control (CL-FOC) of permanent magnet synchronous machine (PMSM) drives is demonstrated through an illustrative simulation for the proof of these approaches. Furthermore, an extension for controller design with parameter uncertainties and perturbation performance is discussed.

  • RESEARCH ARTICLE
    Homayoun EBRAHIMIAN, Bahman TAHERI, Nasser YOUSEFI

    The aim of this paper is simultaneous minimization of hydrothermal units to reach the best solution by employing an improved artificial bee colony (ABC) algorithm in a multi-objective function consisting of economic dispatch (ED) considering the valve-point effect and pollution function in power systems in view of the hot water of the hydro system. In this type of optimization problem, all practical constraints of units were taken into account as much as possible in order to comply with the reality. These constraints include the maximum and minimum output power of units, the constraints caused by the balance between supply and demand, the impact of pollution, water balance, uneven production curve considering the valve-point effect and system losses. The proposed algorithm is applied on the studied system, and the obtained results indifferent operating conditions are analyzed. To investigate in various operating conditions, different load profiles in 12 h are taken into account. The obtained results are compared with those of the other methods including the genetic algorithm (GA), the Basu technique, and the improved genetic algorithm. Fast convergence is one of this improved algorithm features.

  • RESEARCH ARTICLE
    Solomon O. GIWA, Sunday O. ADEKOMAYA, Kayode O. ADAMA, Moruf O. MUKAILA

    Biodiesel is an alternative fuel to replace fossil-based diesel fuel. It has fuel properties similar to diesel which are generally determined experimentally. The experimental determination of various properties of biodiesel is costly, time consuming and a tedious process. To solve these problems, artificial neural network (ANN) has been considered as a vital tool for estimating the fuel properties of biodiesel, especially from its fatty acid (FA) composition. In this study, four ANNs have been designed and trained to predict the cetane number (CN), flash point (FP), kinematic viscosity (KV) and density of biodiesel using ANN with logsig and purelin transfer functions in the hidden layer of all the networks. The five most prevalent FAs from 55 feedstocks found in the literature utilized as the input parameters for the model are palmitic, stearic, oleic, linoleic and linolenic acids except for density network with a sixth parameter (temperature). Other FAs that are present in the biodiesels have been considered based on the number of carbon atom chains and the level of saturation. From this study, the prediction accuracy and the average absolute deviation of the networks are CN (96.69%; 1.637%), KV (95.80%; 1.638%), FP (99.07%; 0.997%) and density (99.40%; 0.101%). These values are reasonably better compared to previous studies on empirical correlations and ANN predictions of these fuel properties found in literature. Hence, the present study demonstrates the ability of ANN model to predict fuel properties of biodiesel with high accuracy.

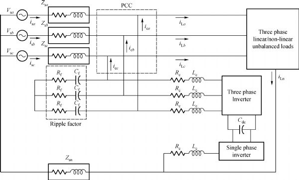
  • RESEARCH ARTICLE
    J. JAYACHANDRAN, R. MURALI SACHITHANANDAM

    In this paper, the choice of power quality compensator is a DSTATCOM which constitutes a three phase four leg voltage source converter (VSC) with a DC capacitor. The control strategy proposed for the DSTATCOM is a neural network based one cycle control (OCC). This control strategy involves neural network block, digital circuits and linear elements, which eliminates the sensors required for sensing the load current and coupling inductor current in addition to the multiplier employed in the conventional method. The calculation of harmonic and reactive currents for the reference current generation is also eliminated, thus minimizing the complexity in the control strategy. The control strategy mitigates harmonic/reactive currents, ensures balanced and sinusoidal source current from the supply mains that are nearly in phase with the supply voltage, compensates neutral current, and maintains voltage across the capacitor under unbalanced source and load conditions. The performance of the DSTATCOM with the proposed artificial neural network (ANN) controllers is validated and investigated through simulations using Matlab software. The simulation results prove the efficacy of the proposed neural network based control strategy under varying source and load conditions.

  • RESEARCH ARTICLE
    Nitipong SOPONPONGPIPAT, Dussadeeporn SITTIKUL, Unchana SAE-UENG

    The higher heating value of five types of non-woody biomass and their torrefaction char was predicted and compared with the experimental data obtained in this paper. The correlation proposed in this paper and the ones suggested by previous researches were used for prediction. For prediction using proximate analysis data, the mass fraction of fixed carbon and volatile matter had a strong effect on the higher heating value prediction of torrefaction char of non-woody biomass. The high ash fraction found in torrefied char resulted in a decrease in prediction accuracy. However, the prediction could be improved by taking into account the effect of ash fraction. The correlation developed in this paper gave a better prediction than the ones suggested by previous researches, and had an absolute average error (AAE) of 2.74% and an absolute bias error (ABE) of 0.52%. For prediction using elemental analysis data, the mass fraction of carbon, hydrogen, and oxygen had a strong effect on the higher heating value, while no relationship between the higher heating value and mass fractions of nitrogen and sulfur was discovered. The best correlation gave an AAE of 2.28% and an ABE of 1.36%.

  • RESEARCH ARTICLE
    Nitin Kumar SAXENA, Ashwani Kumar SHARMA

    It is well recognized that the voltage stability of a power system is affected by the load model and hence, to effectively analyze the reactive power compensation of an isolated hybrid wind-diesel based power system, the loads need to be considered along with the generators in a transient analysis. This paper gives a detailed mathematical modeling to compute the reactive power response with small voltage perturbation for composite load. The composite load is a combination of the static and dynamic load model. To develop this composite load model, the exponential load is used as a static load model and induction motors (IMs) are used as a dynamic load model. To analyze the dynamics of IM load, the fifth, third and first order model of IM are formulated and compared using differential equations solver in Matlab coding. Since the decentralized areas have many small consumers which may consist large numbers of IMs of small rating, it is not realistic to model either a single large rating unit or all small rating IMs together that are placed in the system. In place of using a single large rating IM, a group of motors are considered and then the aggregate model of IM is developed using the law of energy conservation. This aggregate model is used as a dynamic load model. For different simulation studies, especially in the area of voltage stability with reactive power compensation of an isolated hybrid power system, the transfer function ΔQ/ΔV of the composite load is required. The transfer function of the composite load is derived in this paper by successive derivation for the exponential model of static load and for the fifth and third order IM dynamic load model using state space model.

  • RESEARCH ARTICLE
    R. Senthil KUMAR, M. LOGANATHAN, E. James GUNASEKARAN

    Hydrogen (H2) is being considered as a primary automotive fuel and as a replacement for conventional fuels. Some of the desirable properties, like high flame velocity, high calorific value motivate us to use hydrogen fuel as a dual fuel mode in diesel engine. In this experiment, hydrogen was inducted in the inlet manifold with intake air. The experiments were conducted on a four stroke, single cylinder, water cooled, direct injection (DI), diesel engine at a speed of 1500 r/min. Hydrogen was stored in a high pressure cylinder and supplied to the inlet manifold through a water-and-air-based flame arrestor. A pressure regulator was used to reduce the cylinder pressure from 140 bar to 2 bar. The hydrogen was inducted with a volume flow rate of 4l pm, 6l pm and 8l pm, respectively by a digital volume flow meter. The engine performance, emission and combustion parameters were analyzed at various flow rates of hydrogen and compared with diesel fuel operation. The brake thermal efficiency (BTE) was increased and brake specific fuel consumption (BSFC) decreased for the hydrogen flow rate of 8l pm as compared to the diesel and lower volume flow rates of hydrogen. The hydrocarbon (HC) and carbon monoxide (CO) were decreased and the oxides of nitrogen (NOx) increased for higher volume flow rates of hydrogen compared to diesel and lower volume flow rates of hydrogen. The heat release rate and cylinder pressure was increased for higher volume flow rates of hydrogen compared to diesel and lower volume flow rates of hydrogen.