2022-04-15 2022, Volume 16 Issue 2
  • Cover illustration

    (Xingchao WANG, Chunjian PAN, Carlos E. ROMERO, et al. p246–262)
    CO2 capture and sequestration in deep saline aquifers is widely considered to be a leading option for controlling greenhouse gas emissions. One such possibility involves injection of supercritical carbon dioxide (sCO2) into a high-permeability geothermal reservoir. In addition to the benefit of sequestering the CO2 captured from fossil-fired power plants in reservoirs, the CO2 can be used to mine geothermal heat for utilization a [Detail] ...


  • Select all
  • PERSPECTIVE
    Zhen HUANG, Lei ZHU, Ang LI, Zhan GAO
  • REVIEW ARTICLE
    Sumit NAGAR, Kamal SHARMA, A. K. PANDEY, V. V. TYAGI

    Phase change materials (PCMs) play a leading role in overcoming the growing need of advanced thermal management for the storage and release of thermal energy which is to be used for different solar applications. However, the effectiveness of PCMs is greatly affected by their poor thermal conductivity. Therefore, in the present review the progress made in deploying the graphene (Gr) in PCMs in the last decade for providing the solution to the aforementioned inadequacy is presented and discussed in detail. Gr and its derivatives ((Gr oxide (GO), Gr aerogel (GA) and Gr nanoplatelets (GNPs)) based PCMs can improve the thermal conductivity and shape stability, which may be attributed to the extra ordinary thermo-physical properties of Gr. Moreover, it is expected from this review that the advantages and disadvantages of using Gr nanoparticles provide a deep insight and help the researchers in finding out the exact basic properties and finally the applications of Gr can be enhanced.

    In this work, Gr and its derivatives based PCMs was characterized by Fourier transform infrared spectroscopy (FT-IR), X-ray diffraction spectroscopy (XRD), and scanning electron microscopy (SEM) by which crystal structure was known, phase was identified along with the knowledge of surface structure respectively. The increase in the mass fraction (%) of the filler (Gr and its derivatives) led to even better thermo-physical properties and thermal stability. The thermal characterization was also done by differential scanning calorimetry (DSC), thermo gravimetric analysis (TGA) and thermal conductivity tests. The enthalpy of freezing and melting showed that Gr and its derivatives based PCMs had a very high energy storage capability as reflected in its various applications.

  • REVIEW ARTICLE
    Pardeep SINGLA, Manoj DUHAN, Sumit SAROHA

    In the last two decades, renewable energy has been paid immeasurable attention to toward the attainment of electricity requirements for domestic, industrial, and agriculture sectors. Solar forecasting plays a vital role in smooth operation, scheduling, and balancing of electricity production by standalone PV plants as well as grid interconnected solar PV plants. Numerous models and techniques have been developed in short, mid and long-term solar forecasting. This paper analyzes some of the potential solar forecasting models based on various methodologies discussed in literature, by mainly focusing on investigating the influence of meteorological variables, time horizon, climatic zone, pre-processing techniques, air pollution, and sample size on the complexity and accuracy of the model. To make the paper reader-friendly, it presents all-important parameters and findings of the models revealed from different studies in a tabular mode having the year of publication, time resolution, input parameters, forecasted parameters, error metrics, and performance. The literature studied showed that ANN-based models outperform the others due to their nonlinear complex problem-solving capabilities. Their accuracy can be further improved by hybridization of the two models or by performing pre-processing on the input data. Besides, it also discusses the diverse key constituents that affect the accuracy of a model. It has been observed that the proper selection of training and testing period along with the correlated dependent variables also enhances the accuracy of the model.

  • REVIEW ARTICLE
    Maria Carolina ANDRADE, Caio de Oliveira GORGULHO SILVA, Leonora Rios de SOUZA MOREIRA, Edivaldo Ximenes FERREIRA FILHO

    Interest in lignocellulosic biomass conversion technologies has increased recently because of their potential to reduce the dependency on non-renewable feedstocks. Residues from a variety of crops are the major source of lignocellulose, which is being produced in increasingly large quantities worldwide. The commercial exploitation of crop residues as feedstocks for biorefineries which could be used to produce a variety of goods such as biofuels, biochemicals, bioplastics, and enzymes is an attractive approach not only for adding value to residues but also for providing renewable products required by the expanding bioeconomy market. Moreover, the implementation of biorefineries in different regions has the potential to add value to the specific crop residues produced in the region. In this review, several aspects of crop residue application in biorefineries are discussed, including the role of crop residues in the bioeconomy and circular economy concepts, the main technical aspects of crop residue conversion in biorefineries, the main crop residues generated in different regions of the world and their availability, the potential value-added bioproducts that can be extracted or produced from each crop residue, and the major advantages and challenges associated with crop residue utilization in biorefineries. Despite their potential, most biomass refining technologies are not sufficiently advanced or financially viable. Several technical obstacles, especially with regard to crop residue collection, handling, and pre-treatment, prevent the implementation of biorefineries on a commercial scale. Further research is needed to resolve these scale-up-related challenges. Increased governmental incentives and bioeconomic strategies are expected to boost the biorefinery market and the cost competitiveness of biorefinery products.

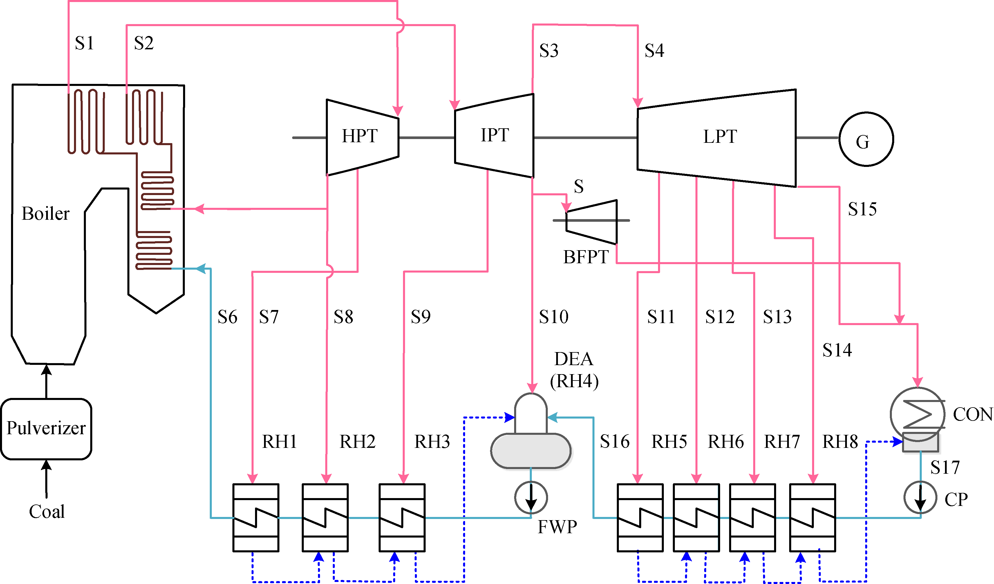
  • RESEARCH ARTICLE
    Xingchao WANG, Chunjian PAN, Carlos E. ROMERO, Zongliang QIAO, Arindam BANERJEE, Carlos RUBIO-MAYA, Lehua PAN

    A comprehensive thermo-economic model combining a geothermal heat mining system and a direct supercritical CO2 turbine expansion electric power generation system was proposed in this paper. Assisted by this integrated model, thermo-economic and optimization analyses for the key design parameters of the whole system including the geothermal well pattern and operational conditions were performed to obtain a minimal levelized cost of electricity (LCOE). Specifically, in geothermal heat extraction simulation, an integrated wellbore-reservoir system model (T2Well/ECO2N) was used to generate a database for creating a fast, predictive, and compatible geothermal heat mining model by employing a response surface methodology. A parametric study was conducted to demonstrate the impact of turbine discharge pressure, injection and production well distance, CO2 injection flowrate, CO2 injection temperature, and monitored production well bottom pressure on LCOE, system thermal efficiency, and capital cost. It was found that for a 100 MWe power plant, a minimal LCOE of $0.177/kWh was achieved for a 20-year steady operation without considering CO2 sequestration credit. In addition, when CO2 sequestration credit is $1.00/t, an LCOE breakeven point compared to a conventional geothermal power plant is achieved and a breakpoint for generating electric power generation at no cost was achieved for a sequestration credit of $2.05/t.

  • RESEARCH ARTICLE
    Geyuan YIN, Chaojun WANG, Meng ZHOU, Yajie ZHOU, Erjiang HU, Zuohua HUANG

    The laminar flame speeds of ammonia mixed with syngas at a high pressure, temperature, and different syngas ratios were measured. The data obtained were fitted at different pressures, temperatures, syngas ratios, and equivalence ratios. Four kinetic models (the Glarborg model, Shrestha model, Mei model, and Han model) were compared and validated with experimental data. Pathway, sensitivity and radical pool analysis are conducted to find out the deep kinetic insight on ammonia oxidation and NO formation. The pathway analysis shows that H abstraction reactions and NHi combination reactions play important roles in ammonia oxidation. NO formation is closely related to H, OH, the O radical produced, and formation reactions. NO is mainly formed from reaction, HNO+ H= NO+ H2. Furthermore, both ammonia oxidation and NO formation are sensitive to small radical reactions and ammonia related reactions.

  • RESEARCH ARTICLE
    Lei ZHU, Zhan GAO, Xiaogang CHENG, Fei REN, Zhen HUANG

    An integrated and systematic database of sooting tendency with more than 190 kinds of fuels was obtained through a series of experimental investigations. The laser-induced incandescence (LII) method was used to acquire the 2D distribution of soot volume fraction, and an apparatus-independent yield sooting index (YSI) was experimentally obtained. Based on the database, a novel predicting model of YSI values for surrogate fuels was proposed with the application of a machine learning method, named the Bayesian multiple kernel learning (BMKL) model. A high correlation coefficient (0.986) between measured YSIs and predicted values with the BMKL model was obtained, indicating that the BMKL model had a reliable and accurate predictive capacity for YSI values of surrogate fuels. The BMKL model provides an accurate and low-cost approach to assess surrogate performances of diesel, jet fuel, and biodiesel in terms of sooting tendency. Particularly, this model is one of the first attempts to predict the sooting tendencies of surrogate fuels that concurrently contain hydrocarbon and oxygenated components and shows a satisfying matching level. During surrogate formulation, the BMKL model can be used to shrink the surrogate candidate list in terms of sooting tendency and ensure the optimal surrogate has a satisfying matching level of soot behaviors. Due to the high accuracy and resolution of YSI prediction, the BMKL model is also capable of providing distinguishing information of sooting tendency for surrogate design.

  • RESEARCH ARTICLE
    Lijie ZHANG, Kaixuan YANG, Rui ZHAO, Mingfei CHEN, Yaoyao YING, Dong LIU

    This paper investigated the nanostructure and oxidation reactivity of soot generated from biofuel 2,5-dimethylfuran pyrolysis with different CO2 additions and different temperatures in a quartz tube flow reactor. The morphology and nanostructure of soot samples were characterized by a low and a high resolution transmission electron spectroscopy (TEM and HRTEM) and an X-ray diffraction (XRD). The oxidation reactivity of these samples was explored by a thermogravimetric analyzer (TGA). Different soot samples were collected in the tail of the tube. With the increase of temperature, the soot showed a smaller mean particle diameter, a longer fringe length, and a lower fringe tortuosity, as well as a higher degree of graphization. However, the variation of soot nanostructures resulting from different CO2 additions was not linear. Compared with 0%, 50%, and 100% CO2 additions at one fixed temperature, the soot collected from the 10% CO2 addition has the highest degree of graphization and crystallization. At three temperatures of 1173 K, 1223 K, and 1273 K, the mean values of fringe length distribution displayed a ranking of 10% CO2>100% CO2>50% CO2 while the mean particle diameters showed the same order. Furthermore, the oxidation reactivity of different soot samples decreased in the ranking of 50% CO2 addition>100% CO2 addition>10% CO2 addition, which was equal to the ranking of mean values of fringe tortuosity distribution. The result further confirmed the close relationship between soot nanostructure and oxidation reactivity.

  • RESEARCH ARTICLE
    Xiaojun XUE, Yuting WANG, Heng CHEN, Gang XU

    A promising scheme for coal-fired power plants in which biomass co-firing and carbon dioxide capture technologies are adopted and the low-temperature waste heat from the CO2 capture process is recycled to heat the condensed water to achieve zero carbon emission is proposed in this paper. Based on a 660 MW supercritical coal-fired power plant, the thermal performance, emission performance, and economic performance of the proposed scheme are evaluated. In addition, a sensitivity analysis is conducted to show the effects of several key parameters on the performance of the proposed system. The results show that when the biomass mass mixing ratio is 15.40% and the CO2 capture rate is 90%, the CO2 emission of the coal-fired power plant can reach zero, indicating that the technical route proposed in this paper can indeed achieve zero carbon emission in coal-fired power plants. The net thermal efficiency decreases by 10.31%, due to the huge energy consumption of the CO2 capture unit. Besides, the cost of electricity (COE) and the cost of CO2 avoided (COA) of the proposed system are 80.37 $/MWh and 41.63 $/tCO2, respectively. The sensitivity analysis demonstrates that with the energy consumption of the reboiler decreasing from 3.22 GJ/tCO2 to 2.40 GJ/ tCO2, the efficiency penalty is reduced to 8.67%. This paper may provide reference for promoting the early realization of carbon neutrality in the power generation industry.

  • RESEARCH ARTICLE
    Peiyuan PAN, Yunyun WU, Heng CHEN

    An advanced cogeneration system based on biomass direct combustion was developed and its feasibility was demonstrated. In place of the traditional single heat source (extraction steam), the extraction steam from the turbine, the cooling water from the plant condenser, and the low-pressure feedwater from the feedwater preheating system were collectively used for producing district heat in the new scheme. Hence, a remarkable energy-saving effect could be achieved, improving the overall efficiency of the cogeneration system. The thermodynamic and economic performance of the novel system was examined when taking a 35 MW biomass-fired cogeneration unit for case study. Once the biomass feed rate and net thermal production remain constant, an increment of 1.36 MW can be expected in the net electric production, because of the recommended upgrading. Consequently, the total system efficiency and effective electrical efficiency augmented by 1.23 and 1.50 percentage points. The inherent mechanism of performance enhancement was investigated from the energy and exergy aspects. The economic study indicates that the dynamic payback period of the retrofitting project is merely 1.20 years, with a net present value of 5796.0 k$. In conclusion, the proposed concept is validated to be advantageous and profitable.

  • RESEARCH ARTICLE
    Dorota RZETELSKA, Madeleine COMBRINCK

    Fuel poverty is most prevalent in North East England with 14.4% of fuel poor households in Newcastle upon Tyne. The aim of this paper was to identify a grid connected renewable energy system coupled with natural gas reciprocating combined heat and power unit, that is cost-effective and technically feasible with a potential to generate a profit from selling energy excess to the grid to help alleviate fuel poverty. The system was also aimed at low carbon emissions. Fourteen models were designed and optimized with the aid of the HOMER Pro software. Models were compared with respect to their economic, technical, and environmental performance. A solution was proposed where restrictions were placed on the size of renewable energy components. This configuration consists of 150 kW CHP, 300 kW PV cells, and 30 kW wind turbines. The renewable fraction is 5.10% and the system yields a carbon saving of 7.9% in comparison with conventional systems. The initial capital investment is $1.24 million which enables the system to have grid sales of 582689 kWh/a. A conservative calculation determined that 40% of the sales can be used to reduce the energy cost of fuel poor households by $706 per annum. This solution has the potential to eliminate fuel poverty at the site analyzed.

  • RESEARCH ARTICLE
    Yanfeng XU, Yong GENG, Ziyan GAO, Shijiang XIAO, Chenyi ZHANG, Mufan ZHUANG

    Food consumption is necessary for human survival. On a global scale, the greenhouse gas (GHG) emission related to food consumption accounts for 19%–29% of the total GHG emission. China has the largest population in the world, which is experiencing a rapid development. Under the background of urbanization and the adjustment of the diet structure of Chinese residents, it is critical to mitigate the overall GHG emission caused by food consumption. This study aims to employ a single-region input-output (SRIO) model and a multi-regional input-output (MRIO) model to measure GHG emission generated from food consumption in China and compare the contributions of different industrial sectors, uncovering the differences between urban and rural residents and among different provinces (autonomous regions/municipalities), as well as identifying the driving forces of GHG emission from food consumption at a national level. The results indicate that the total GHG emission generated from food consumption in China tripled from 157 Mt CO2e in 2002 to 452 Mt CO2e in 2017. The fastest growing GHG emission is from the consumption of other processed food and meat products. Although GHG emissions from both urban and rural residents increased, the gap between them is increasing. Agriculture, processing and manufacture of food, manufacture of chemical and transportation, storage and post services sectors are key sectors inducing food consumption related GHG emissions. From a regional perspective, the top five emission provinces (autonomous regions/municipalities) include Shandong, Hubei, Guangdong, Zhejiang, and Jiangsu. Based on such results, policy recommendations are proposed to mitigate the overall GHG emission from food consumption.

  • RESEARCH ARTICLE
    Stephen Ndubuisi NNAMCHI, Onyinyechi Adanma NNAMCHI, Janice Desire BUSINGYE, Maxwell Azubuike IJOMAH, Philip Ikechi OBASI

    Modeling, simulation, and prediction of global energy indices remain veritable tools for econometric, engineering, analysis, and prediction of energy indices. Thus, this paper differentially modeled, simulated, and non-differentially predicated the global energy indices. The state-of-the-art of the research includes normalization of energy indices, generation of differential rate terms, and regression of rate terms against energy indices to generate coefficients and unexplained terms. On imposition of initial conditions, the solution to the system of linear differential equations was realized in a Matlab environment. There was a strong agreement between the simulated and the field data. The exact solutions are ideal for interpolative prediction of historic data. Furthermore, the simulated data were upgraded for extrapolative prediction of energy indices by introducing an innovative model, which is the synergy of deflated and inflated prediction factors. The innovative model yielded a trendy prediction data for energy consumption, gross domestic product, carbon dioxide emission and human development index. However, the oil price was untrendy, which could be attributed to odd circumstances. Moreover, the sensitivity of the differential rate terms was instrumental in discovering the overwhelming effect of independent indices on the dependent index. Clearly, this paper has accomplished interpolative and extrapolative prediction of energy indices and equally recommends for further investigation of the untrendy nature of oil price.